報警聲音發生器
用P1.0輸出1KHz和500Hz的音頻信號驅動揚聲器,作報警信號,要求1KHz信號響100ms,500Hz信號響200ms,交替進行,P1.7接一開關進行控制,當開關合上響報警信號,當開關斷開告警信號停止,編出程序。
2. 電路原理圖
500){this.resized=true;this.style.width=500;}" border=0 resized="true">
圖4.6.1
3. 系統板上硬件連線
(1. 把“單片機系統”區域中的P1.0端口用導線連接到“音頻放大模塊”區域中的SPK IN端口上;
(2. 在“音頻放大模塊”區域中的SPK OUT端口上接上一個8歐的或者是16歐的喇叭;
(3. 把“單片機系統”區域中的P1.7/RD端口用導線連接到“四路撥動開關”區域中的K1端口上;
4. 程序設計內容
(1. 信號產生的方法
500Hz信號周期為2ms,信號電平為每1ms變反1次,1KHz的信號周期為1ms,信號電平每500us變反1次;
5. 程序框圖
500){this.resized=true;this.style.width=500;}" resized="true">
圖4.6.2
6. 匯編源程序
FLAG BIT 00H
ORG 00H
START: JB P1.7,START
JNB FLAG,NEXT
MOV R2,#200
DV: CPL P1.0
LCALL DELY500
LCALL DELY500
DJNZ R2,DV
CPL FLAG
NEXT: MOV R2,#200
DV1: CPL P1.0
LCALL DELY500
DJNZ R2,DV1
CPL FLAG
SJMP START
DELY500: MOV R7,#250
LOOP: NOP
DJNZ R7,LOOP
RET
END
7. C語言源程序
#i nclude
#i nclude
bit flag;
unsigned char count;
void dely500(void)
{
unsigned char i;
for(i=250;i>0;i--)
{
_nop_();
}
}
略
單片機電話撥號報警器
1 引言 隨著人們生活水平的不斷提高,家庭安全正在逐漸引起重視。在家庭住宅處安裝防盜及險情報警系統,使主人能及時掌握住宅發生的警情,正是人們所期盼的。智能電話報警系統是以單片機為核心,利用公共通訊網為傳輸媒介對住宅進行安全監視,具有可靠性高、成本低、易普及等優點。
2 系統功能
智能電話報警系統實現的主要功能如下:當室內有警情發生時(如有人非法進入室內、煤氣泄漏、火災等),智能電話報警系統能及時地通過各種傳感器獲知警情,對警情的種類進行判斷,并立即自動順序撥打預設的1~9組電話。在撥號后,首先判斷對方是否摘機。如是,則根據不同的警情播放相應的錄制好的語音報警內容,否則,掛機后撥下一組預制電話,直至1~9組電話全部接通。
3 硬件組成及原理
本系統主要采用AT89C5l作為核心。HT9170和HT9200A作為雙音多頻(DTMF)信號接收器和發生器,
|
|
3.1 AT89C51單片機
AT89C51內部集成4 KB只讀存儲器。采用CHMOS工藝技術,且與MCS-51產品相兼容。內部集成通用的8位CPU和Flash RAM。其應用范圍廣,性能良好,可用于解決復雜的控制問題。利用AT89C51的I/O端口對傳感器信號進行實時監控,對HT9200A撥號實現遠程控制,控制ISD1420語音器件的語音播放。
3.2 撥號系統
撥號系統采用HT9170和HT9200A分別作為雙音多頻(DTMF)信號接收器和發生器。
HT9200A是串行式DTMF信號發生器,具有良好的溫度適應性,其工作溫度范圍為一20℃~+70℃,采用8引腳DIP或SOP封裝,引腳排列如圖2所示。各引腳的功能說明如下:
CE:片選信號輸入端,低電平有效;
X1、X2:3.579 545 MHz晶體振蕩器接入端;
VDD、VSS:電源正負輸入端,正常工作電壓范圍為2 V~5.5 V,工作電流約為2mA;
CLK:串行數據的同步信號輸入端,fCLK約為100kHz;
DATA:串行數據輸入端;
DTMF:DTMF信號輸出端。
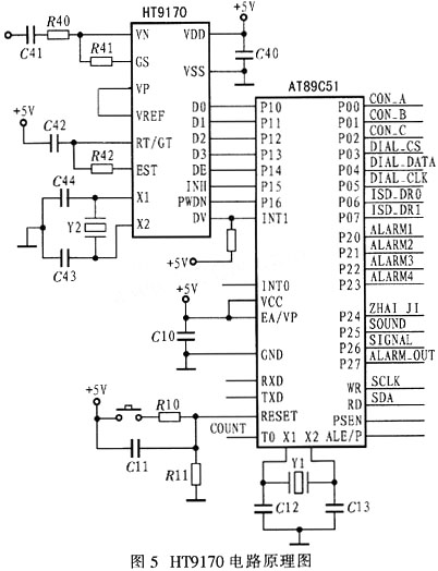
HT9170系列是集成了數字解碼器和多帶濾波器功能的雙音頻DTMF接收器,可工作在掉電模式和抑制模式下。HT9170系列器件都是采用數字化計算方法識別,將16倍的DTMF音頻解碼后轉化為4位代碼輸出。高精度的轉換電容濾波器將音頻DTMF信號分離為低頻信號和高頻信號,自帶撥號音頻阻波電路可省去前置濾波器所需的阻波電路。HT9170的引腳排列如圖3所示。
撥號電路原理圖如圖4、圖5所示。
3.3 語音電路
ISD1420為美國ISD公司推出的產品,單片錄放時間8 s~20 s,音質好。ISD1420采用CMOS技術,內含振蕩器、話筒前置放大、自動增益控制、防混淆濾波器、平滑濾波器、揚聲器驅動及EEPROM陣列。最小的錄放系統僅需麥克風、喇叭、兩個按鈕、電源及少量電阻電容。在錄放操作結束后,器件自動進入低功耗節電模式,功耗僅0.5μA。
ISD1420系列有唯一的錄音控制和邊沿/電平觸發兩種放音控制。不分段時外圍線路最簡,也可按最小段長為單位任意組合分段,提供若干操作模式,大大提高了控制的靈活性。
ISD1420采用多電平直接模擬量存儲專利技術,每個采樣直接存儲在片內單個EEPROM單元中,因此能夠非常真實、自然地再現語音、音樂、音調效果,避免了一般固體錄音電路因量化和壓縮造成的量化噪聲和“金屬聲”。采樣頻率為5.3kHz、6.4 kHz到8.0 kHz,對音質僅有輕微影響。片內信息可保存100年(無需后備電源),EEP-ROM單片可反復錄音十萬次。語音電路原理圖如圖6所示。
4 系統軟件設計
為使程序清晰可讀且運行速率高,本系統軟件采用模塊化結構設計,由主程序、中斷服務程序和相關子程序(如延時子程序、語音提示子程序、放音子程序、撥號子程序等)組成。其主程序流程圖如圖7所示。撥號報警子程序流程圖如圖8所示。
5 結束語
該系統設計利用單片機實現報警功能,控制靈活;利用電話網作為傳輸媒體,具有快速報警、準確可靠的特點。該系統設計成本低,家庭使用安全方便,具有廣泛的應用前景。








